Prof-Shoppen.dk bruger cookies

Hos Prof-Shoppen.dk bruger vi egne cookies og cookies fra tredjepart til optimering, statistik, markedsføring og for at målrette indhold. Vi bruger cookies til at forbedrer brugervenligheden på vores side og gør det derfor endnu lettere for at dig at besøge og bruge Prof-Shoppen.dk. Klik på "Fuld weboplevelse" for at give dit samtykke til brugen af cookies.

 
e mærket logo lille
pris match logo lille
0

Nav AL-KO 500Kg 100x4 uden lejer

  • Leveringstid: Ca. 1-3 dage
  • Produktnummer: 4-381587
Bestil nu !
og få produktet leveret indefor Ca. 1-3 dage
  • Vejl. udsalgspris er981,00 DKK
    Kontantpris
    833,00981,00
    Antal
    Læg i kurv
  • Landsdækkende service og garanti, Jylland, Fyn, Sjælland
981,00
  • Landsdækkende service og garanti, Jylland, Fyn, Sjælland
Produktbeskrivelse

AL-KO nav uden tilbehør 4x100


AL-KO hjulnav til trailere - leveres uden tilbehør. Tilbehøret, der passer til dette nav, ligger herunder i relaterede produkter. For at lave en komplet installation skal du bruge et lejesæt, tætningsringe, navkapsel og møtrik.

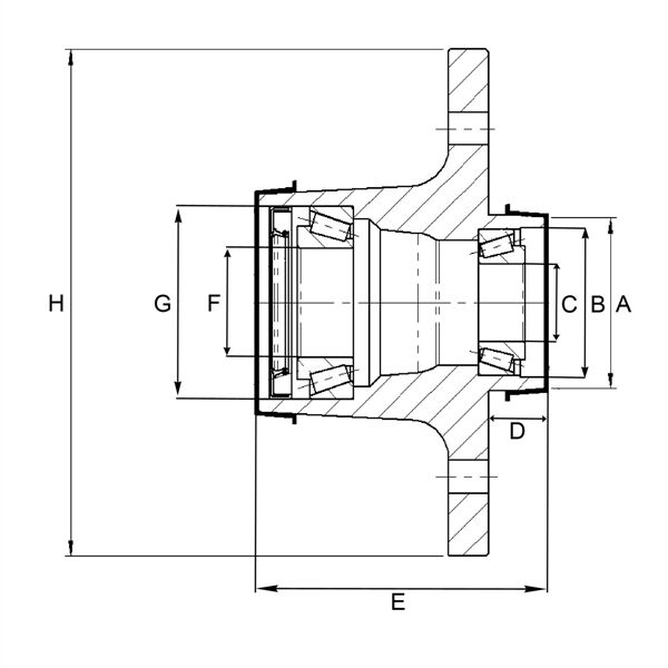
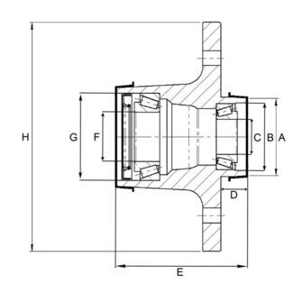
Mål til tegning:
A: 56 mm
B: 40 mm Lille leje udvendig
C: 17 mm Lille leje indvendig
D: 22 mm
E: 60 mm
F: 25 mm Store leje indvendig
G: 52 mm Store leje udvendig
H: 145 mm
Specifikationer

Måske er du også interesseret i følgende produkter
kort

Vi har altid en afdeling nær dig

  • Jylland - EsbjergØresundsvej 7, 6715 Esbjerg N.Butikssalg og trailerudstilling samt Skov, Park og Have
    Stort web- og reservedelslager | Husqvarna kan ikke afhentes på adressen
    Mandag - fredag: 09:00 - 17:00
    Bemærk: Lukket alle helligdage i april og maj samt grundlovsdag
  • Jylland - RandersHobrovej 335 (Hal 4), 8920 Randers NV.Butikssalg og værksted til Trailere | Stor Skov, Park og Have center
    Begrænset udvalg af reservedele og tilbehør
    Mandag - fredag: 09:00 - 17:00
    Bemærk: Lukket alle helligdage i april og maj samt grundlovsdag
  • FynByllerup 8, 5580 Nørre AabyVærksted | Salg og udstilling af trailere
    Reservedele, tilbehør og have- og parkprodukter kan ikke afhentes på adressen
    Torsdag 09.00-17.00 eller efter aftale
    Bemærk: Lukket alle helligdage i april og maj samt grundlovsdag
  • SjællandRugvænget 5, 4100 RingstedButikssalg og værksted | Trailercenter
    Få havetraktorer | Have- og parkprodukter kan ikke afhentes på adressen
    Mandag - fredag: 09.00 - 17.00 · Søndag: 11.00 - 15.00
    Bemærk: Lukket alle helligdage i april og maj samt grundlovsdag
    Bemærk: Lukket søndag d. 31/5
pris match logo

Vidste du?
VI HAR PRISMATCH!

pris match logo

Vi sikrer dig den laveste pris på markedet, når du køber din nye trailer hos os

prof-shoppen.dk

Kvalitetstrailere til markedets laveste pris!

Fundet traileren billigere et andet sted?

Hvis du finder traileren billigere et andet sted, matcher vi prisen.

Læs mere om prismatch her